365源码网
网站源码
游戏源码
技术文章
登陆
注册
本文由 365源码网 – 18522379162 发布,转载请注明出处,如有问题请联系我们!
一套完整IEPE采集卡设计资料
¥1.0
积分
栏目分类:
企业公司
系统品牌:
新闻博客
下载次数:0
最后更新:2026-03-24 21:21:28
立即下载
无演示
收藏
一套完整IEPE采集卡设计资料
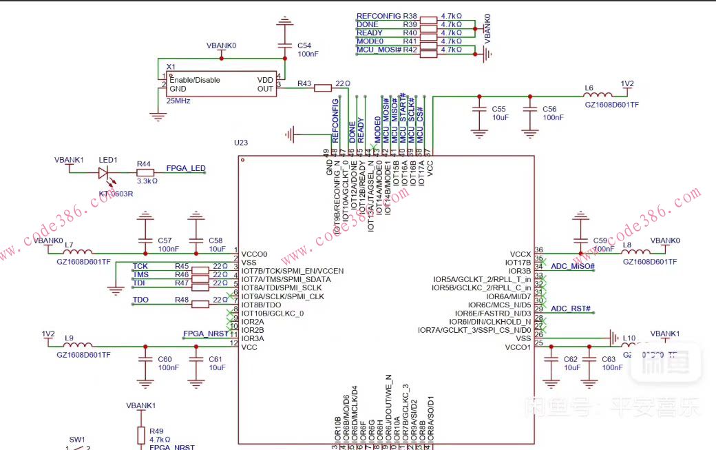
IEPE采集卡设计资料 ee042 包含图纸,物料表,固件源码等
拍下自动发货
标签
评论
(0条)
请登录后评论
评论
18522379162
0
0
( 此人很懒并没有留下什么~~ )
更多
推荐源码
03-24
详细的三相PFC程序30KW充电桩原理图与源程序及相关文档
03-24
视频AEPr卡点插件BeatEdit音乐节奏鼓点节拍自动插
03-24
西门子博图触摸屏教程_全套_案例程序模板_过程控制系统设计参
03-24
西门子_PLC_与_KUKA_机器人通讯程序_S7-1500
03-24
西门子_200SMART_经典参考程序_50_+_套_喷涂
03-24
英威腾GD300变频器方案
03-24
花样切糕配方大合集_多种切糕技术教程_开店摆摊专用
03-24
自建房_CAD_施工图_新农村一层二三层建筑设计图纸效果图合
03-24
自己定义的ABAQUS子程序umat和vumat源代码
03-24
自动计算好的LLC电感与变压器计算公式表格,d50
03-24
老街改造设计方案_SU_模型古建商业街_CAD_图纸效果图全
03-24
美丽乡村建设规划方案_农旅融合文旅度假项目策划设计文本案例
标签云
dd
一套完整IEPE采集卡设计资料
下载积分
VIP会员
1.0
免费
请您
登录后
下载 !
立即登录
注册账号
说明
您下载所消耗的积分或金额将转交上传作者。可通过签到获取积分,或是充值!