本文由 365源码网 – 18522379162 发布,转载请注明出处,如有问题请联系我们!【秒发】永磁同步电机PMSM双闭环矢量控制simulink仿
【秒发】永磁同步电机PMSM双闭环矢量控制simulink仿真模型。[红圆][红圆][红圆][红圆][红圆][红圆][红圆][红圆]
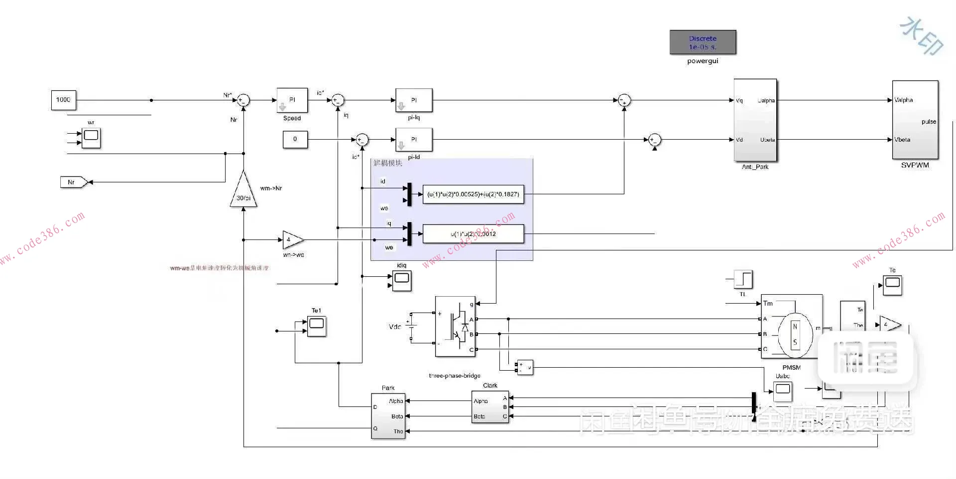
整个项目大概的内容分为六个大的部分:
1、PI参数整定的过程和调试过程
2、笔算PI参数过程+部分原理解释性文件(这里面放了我给你用笔写出来的推导过程,我觉得这样会比较详细一些,然后请你结合陈伯时的运动控制系统那本书里面的调节器环节,混合消化一下这部分肯定能彻底搞懂)
3、仿真程序(仿真程序,担心你初始不太会改,就把仿真分为了突加负载的仿真和突降负载的仿真)
4、基本参数说明(这里面分为电机参数文档和PI参数文档)
5、讲解PPT(PPT按照我自己的模板做了矢量控制从头到尾的过程,从背景意义、电机模型、坐标变换、SVPWM过程、pi整定过程和最后的波形分析,我相信这份PPT应该是框架较为完整的,你想要往上面增添你自己的内容或者你的理解都很方便)
6、突加负载突降负载的波形+分析(这里面波形已经整理好了,波形分析也是按照论文的要求分析的,我相信,只要你理解了永磁电机,这份分析报告你是能看出来很仔细的)
最后,所有的报告文档里面的公式都是一点一点输入的,所有的格式都是标准的论文格式,以后你要写论文或者毕设都可以直接使用,只用稍微修改标题或者标号即可。
望你学有所感,学有所成!!!祝福!!!
电子资料,一经发货,概不退换,请谨慎购买!






