本文由 365源码网 – 18522379162 发布,转载请注明出处,如有问题请联系我们!BLDC无刷直流电机和PMSM永磁同步电机
BLDC无刷直流电机和PMSM永磁同步电机
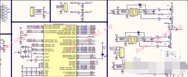
基于stm32F1的有传感器和无传感驱动
直流无刷电机有传感器和无传感驱动程序,6个MDK编写的C程序源码,
无传感的实现是基于反电动势过零点实现的,有传感是霍尔实现。
永磁同步电机有感无感程序,有感为霍尔FOC和编码器方式,
无感为换滑模观测器方式。
注意:电子资料,自动发货,秒拍秒发,售后不支持退换


BLDC无刷直流电机和PMSM永磁同步电机
基于stm32F1的有传感器和无传感驱动
直流无刷电机有传感器和无传感驱动程序,6个MDK编写的C程序源码,
无传感的实现是基于反电动势过零点实现的,有传感是霍尔实现。
永磁同步电机有感无感程序,有感为霍尔FOC和编码器方式,
无感为换滑模观测器方式。
注意:电子资料,自动发货,秒拍秒发,售后不支持退换

