本文由 365源码网 – 18522379162 发布,转载请注明出处,如有问题请联系我们!笔记本电脑图纸主板参考学习研究原理图电路图
笔记本电脑图纸主板参考学习研究原理图电路图
[钉子][右]戴尔惠普联想东芝宏基华硕索尼
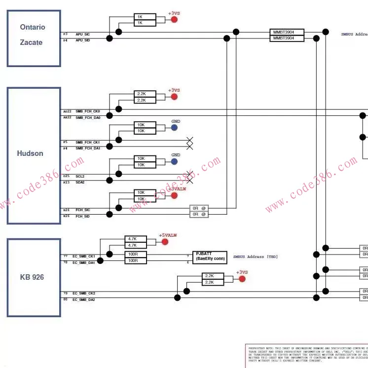
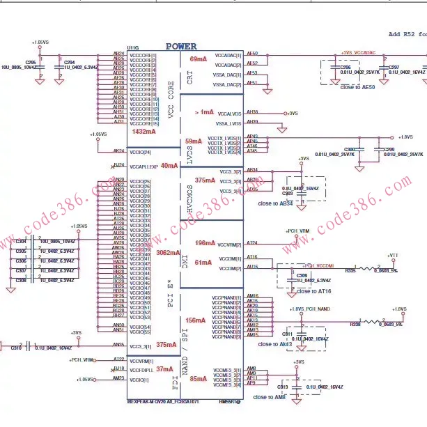
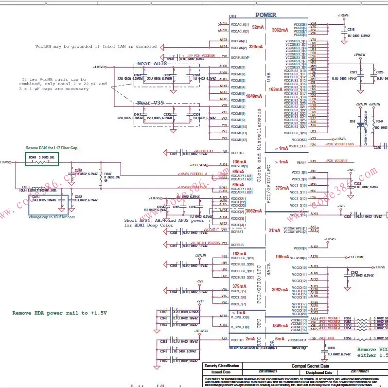
资料详情看下图,都是精心整理的,分类清晰,内容丰富,[右]适合参考欣赏学习;
需要的朋友点下方的“我想要”,然后直接下单就行,我看到了会丢下碗筷马上给您发货。
你买的不只是一份资料,更是一种省时省力的快速做事方法,帮你节省时间和精力
[hot]下单说明
[钉子]看上直接拍即可,标价就是卖价。
[钉子]拍下自动发货,链接在就是有,永不失效,24小时内自动发货。
[钉子]任何情况,不要申请退款,私信沟通给您处理,小店经营不易。
[钉子]全网整合资源,非垃圾同行缺失版本,可直接下单,度盘转存,无需等待,请提前下载度盘。
[钉子]所有文件均获取自网络公开渠道,商品价格仅为店家收集、整理、运营售后服务费用,仅供学习和交流使用,所有版权归版权人所有,如版权方认为侵犯了您的版权,请及时联系小店删除。
843270665808








