本文由 365源码网 – 18522379162 发布,转载请注明出处,如有问题请联系我们!基于下垂控制的构网变换器功率控制[new]
基于下垂控制的构网变换器功率控制[new]
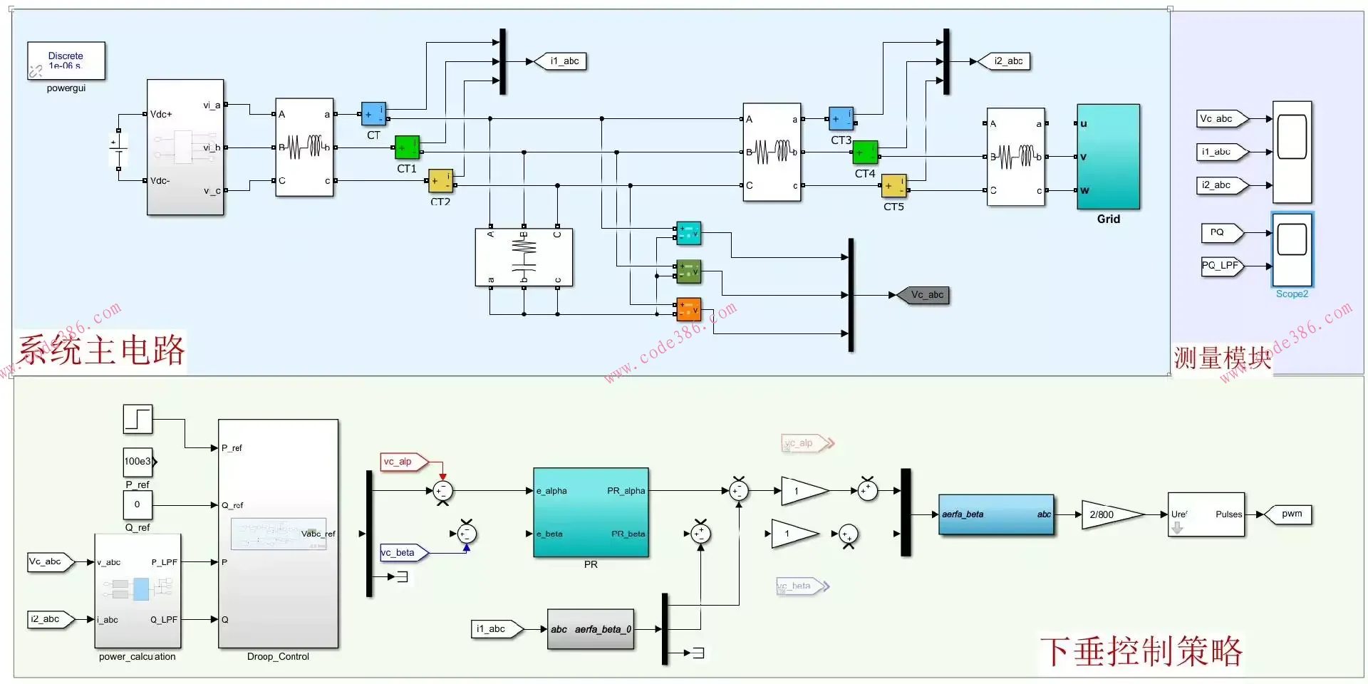
基于下垂控制的微电网变流器并网运行控制方法
采用功率环、电压环和电流环的三环控制
主电路采用LCL滤波
[1]控制策略基于两相静止坐标系
[2]可以实现功率准确跟踪
[3]三相静止坐标下并网控制
并网电流谐波畸变率均小于1%,满足并网条件!仿真波形完美!赠送参考文献!
[钉子]发的是百 度 网 盘 链 接,永不失效,售出不退。
[钉子]任何情况,不要申请退款,私信沟通给你处理,小店经营不易。
[钉子]所有文件均获取自网络公开渠道,仅供学习和交流使用,所有版权归版权人所有,如版权方认为侵犯了您的版权,请及时联系小店删除。
873170308885



![点击放大 基于下垂控制的构网变换器功率控制[new]](http://down-code365-top.oss-cn-beijing.aliyuncs.com/upload/20260320/c0341499b512c6ef8a25b64b362da635.jpg)