本文由 365源码网 – 18522379162 发布,转载请注明出处,如有问题请联系我们!华为HUAWEI全系列原厂维修图纸[比心]
华为HUAWEI全系列原厂维修图纸[比心]
[右]华为HUAWEI 图纸
[右]手机维修、学习专用
[右]高清电子PDF档
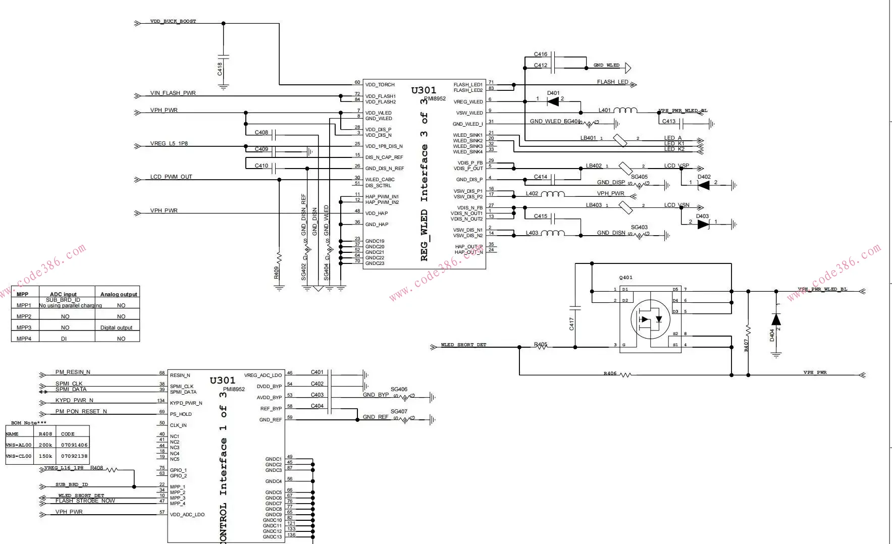
[右]手机维修图纸:主板原理图、点位图等。超级实用,维修必备! 不用会员,不用续费拍下发货。由于具有可复制性拍下后发货不支持退货,保证好用!#Huawei/华为
本交易仅支持自提[左]
Num:21
[钉子]发的是百 度 网 盘 链 接,永不失效,售出不退。
[钉子]任何情况,不要申请退款,私信沟通给你处理,小店经营不易。
[钉子]所有文件均获取自网络公开渠道,仅供学习和交流使用,所有版权归版权人所有,如版权方认为侵犯了您的版权,请及时联系小店删除。
694706371495








![点击放大 华为HUAWEI全系列原厂维修图纸[比心]](http://down-code365-top.oss-cn-beijing.aliyuncs.com/upload/20260320/4ea4a0b04c91d1fbfaa1d558dc2a8bf8.jpg)