本文由 365源码网 – 18522379162 发布,转载请注明出处,如有问题请联系我们!化工原理精馏塔设计说明书
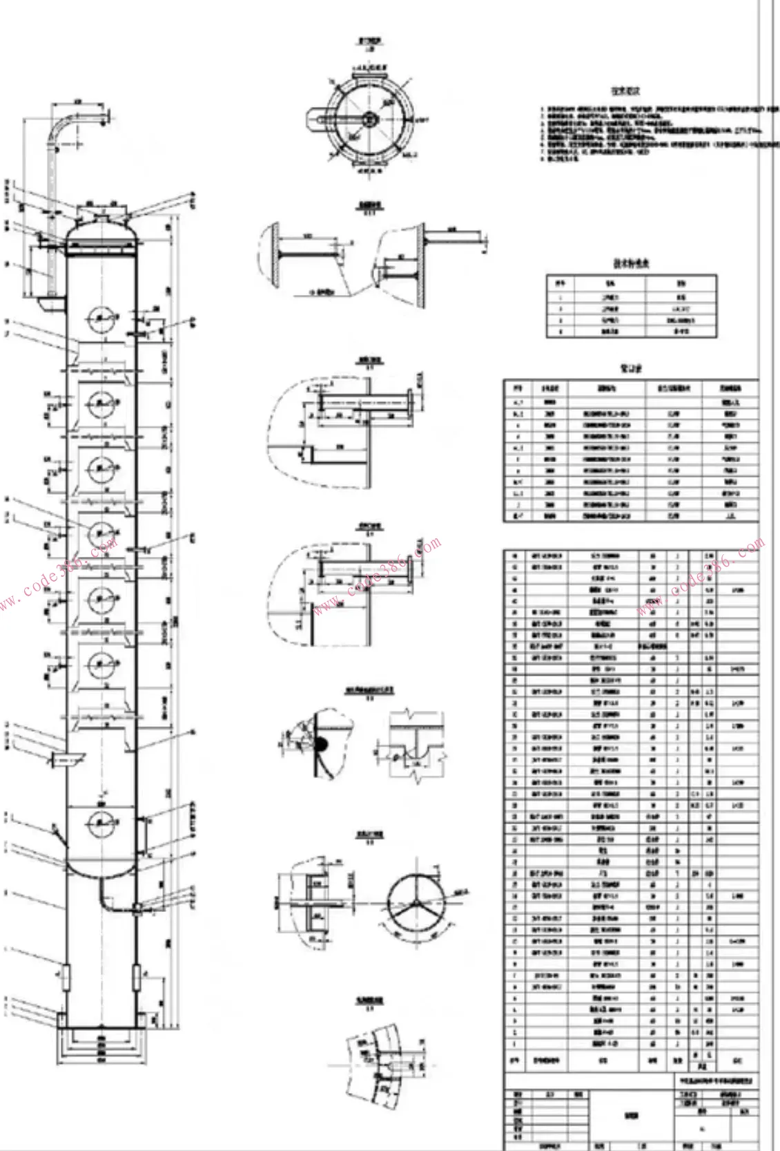
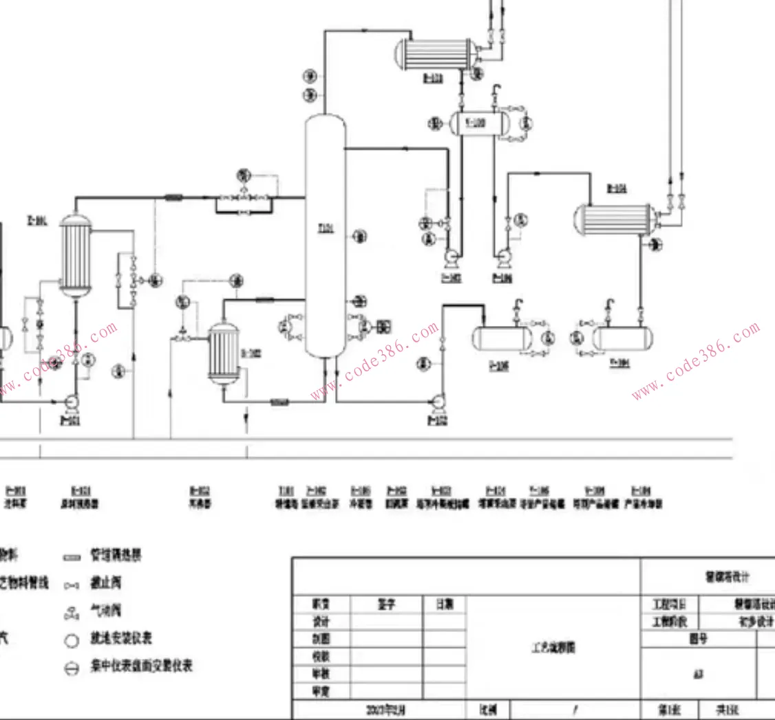
化工原理精馏塔设计说明书
笨甲苯精馏塔
平衡数据
化工设计 化工物性手册
装配图 条件图 工艺流程图
cad图
设计说明书
有特别需要可定制,价格优惠。
[hot]下单说明
[钉子]看上直接拍即可,标价就是卖价。
[钉子]拍下自动发货,链接在就是有,永不失效,24小时内自动发货。
[钉子]任何情况,不要申请退款,私信沟通给您处理,小店经营不易。
[钉子]全网整合资源,非垃圾同行缺失版本,可直接下单,度盘转存,无需等待,请提前下载度盘。
[钉子]所有文件均获取自网络公开渠道,商品价格仅为店家收集、整理、运营售后服务费用,仅供学习和交流使用,所有版权归版权人所有,如版权方认为侵犯了您的版权,请及时联系小店删除。
802306452665









