本文由 365源码网 – 18522379162 发布,转载请注明出处,如有问题请联系我们!OPPO原厂维修图纸,具体型号请参考图片中展示的内容[比心]
OPPO原厂维修图纸,具体型号请参考图片中展示的内容[比心]
[右]手机维修专用
[右]电子PDF档
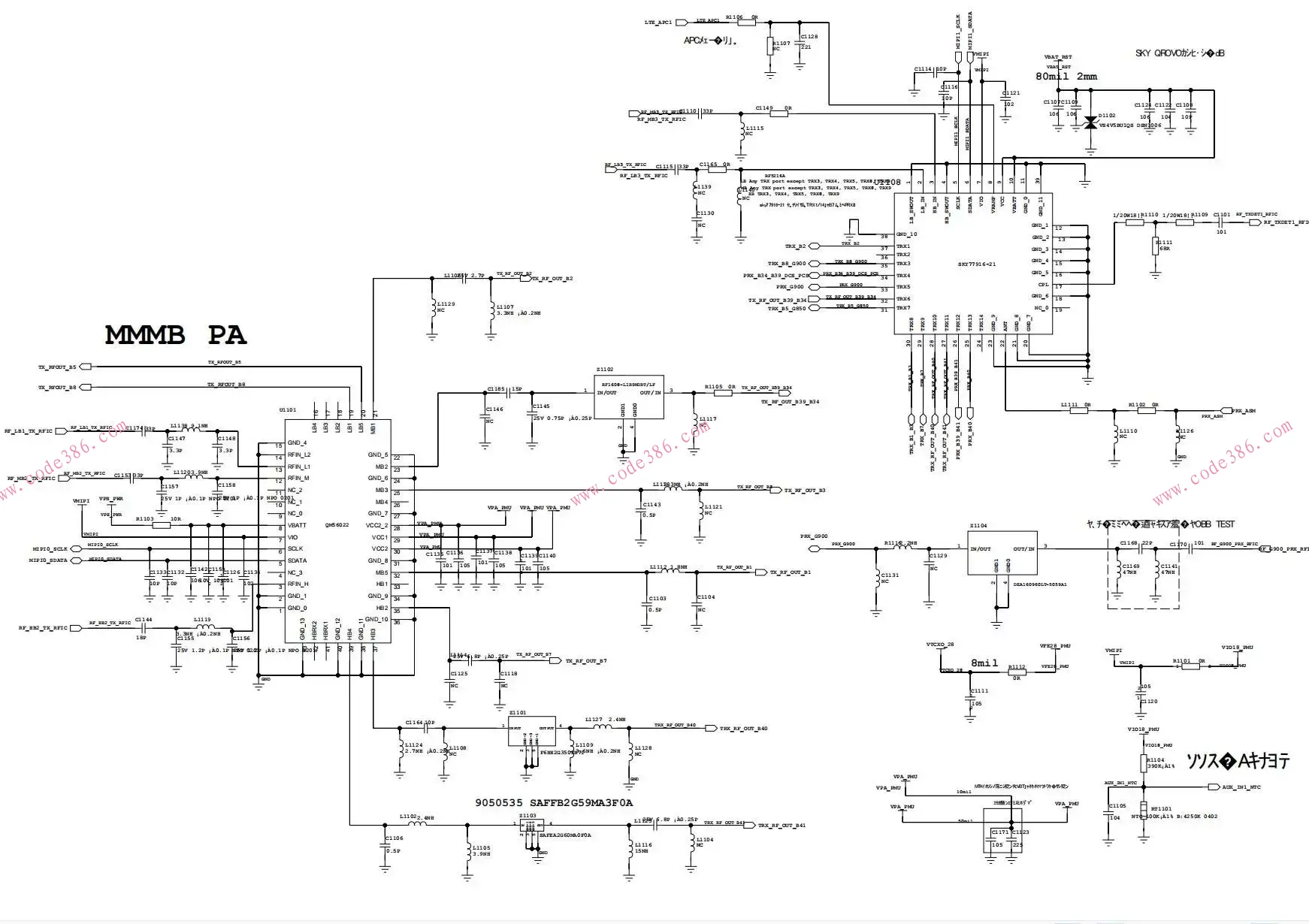
[右]手机维修图纸:原理图、主板高清图、位置图 点位图 位号图、主板供电图、故障标注 原件分布等。超级实用,维修必备! 不用会员,不用续费拍下发货不墨迹。由于具有可复制性拍下后发货拒绝退货,保证好用!
本交易仅支持自提
Num:17
[钉子]发的是百 度 网 盘 链 接,永不失效,售出不退。
[钉子]任何情况,不要申请退款,私信沟通给你处理,小店经营不易。
[钉子]所有文件均获取自网络公开渠道,仅供学习和交流使用,所有版权归版权人所有,如版权方认为侵犯了您的版权,请及时联系小店删除。
694154859346








![点击放大 OPPO原厂维修图纸,具体型号请参考图片中展示的内容[比心]](http://down-code365-top.oss-cn-beijing.aliyuncs.com/upload/20260320/d9b13171c7bcb18365a825f141f64124.jpg)