本文由 365源码网 – 18522379162 发布,转载请注明出处,如有问题请联系我们!【自动发货】MATLAB机械臂自适应模糊滑模控制代码,机器人
【自动发货】MATLAB机械臂自适应模糊滑模控制代码,机器人
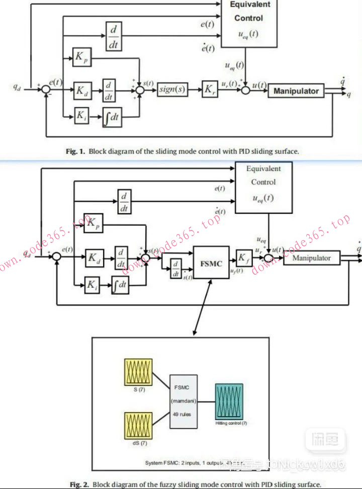
滑膜控制,自适应控制,模糊控制,4自由度机械臂,附带多种控制方法对比,有对应参考文献 版本要求2019b及以上
[1]模糊滑模控制
[2]滑模控制
[3]pid控制
需要的直接拍,仅出售,不支持答疑,商品具有可复制性,售出不退
【注意,下单后自动发送资料】
【无需多问,无效包退】





【自动发货】MATLAB机械臂自适应模糊滑模控制代码,机器人
滑膜控制,自适应控制,模糊控制,4自由度机械臂,附带多种控制方法对比,有对应参考文献 版本要求2019b及以上
[1]模糊滑模控制
[2]滑模控制
[3]pid控制
需要的直接拍,仅出售,不支持答疑,商品具有可复制性,售出不退
【注意,下单后自动发送资料】
【无需多问,无效包退】




