本文由 365源码网 – 18522379162 发布,转载请注明出处,如有问题请联系我们!【自动发货】LCVCO流片结构,电路文件,24h自动发
【自动发货】LCVCO流片结构,电路文件,24h自动发
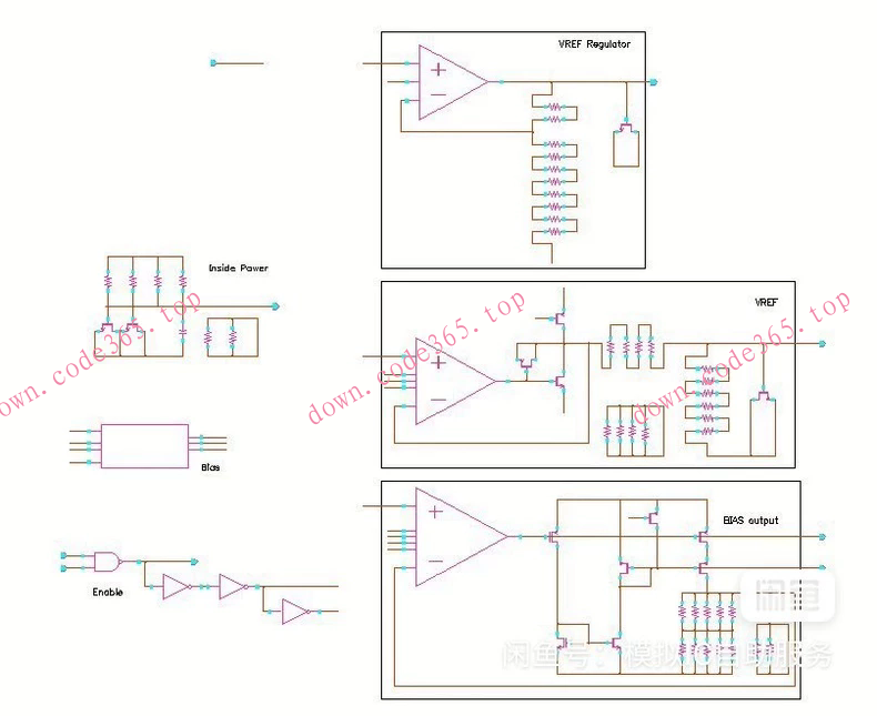
发货内容:仅有OA格式的电路工程文件。
提示:
无model library,无layout,参考结构用
不能仿真,但是可以将全部器件替换成为自己的库进行仿真。
电路结构包括:
LCVCO核心电路,可编程电容阵列,数控模块,偏置基准电路(包含BG和LDO),测试电路,电源使能模块
电子资料,自动发货,不退不换
【注意,下单后自动发送资料】
【无需多问,无效包退】



