本文由 365源码网 – 18522379162 发布,转载请注明出处,如有问题请联系我们!福禄克287_289万用表维修手册 电路图纸
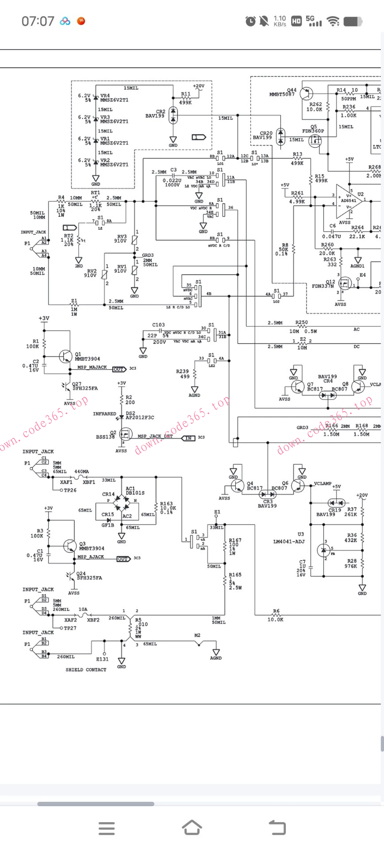
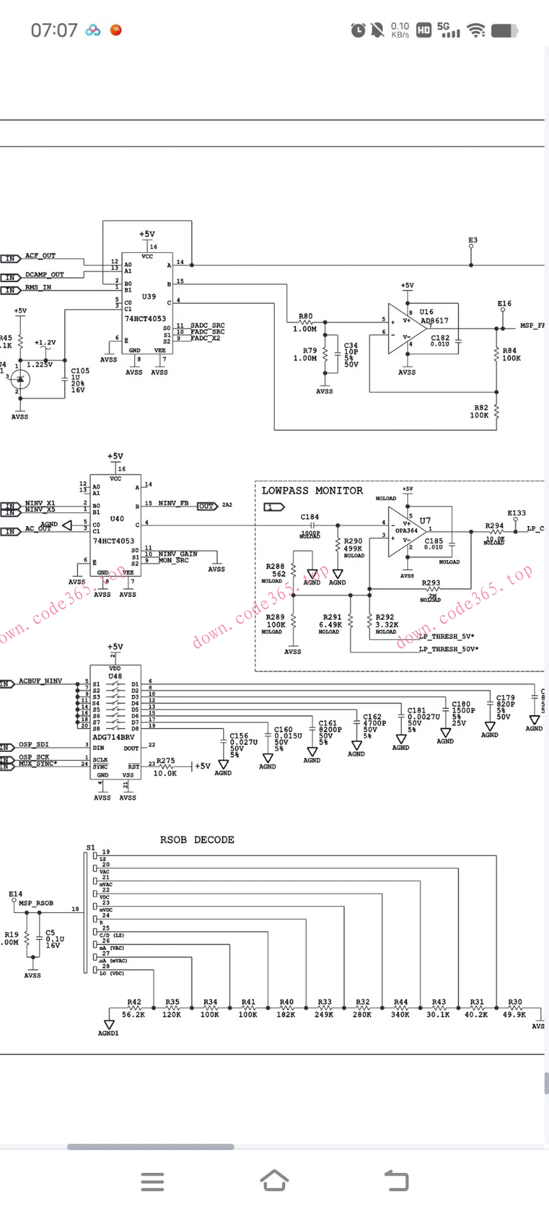
福禄克287/289万用表维修手册 电路图纸
点位图,电路及其service手册。
(注意不是福禄克187/189的电路图!)
要的可直接拍。
注意,这个是电子版文档。无需实际发货。
/W99。
[钉子]发的是百 度 网 盘 链 接,永不失效,售出不退。
[钉子]任何情况,不要申请退款,私信沟通给你处理,小店经营不易。
[钉子]所有文件均获取自网络公开渠道,仅供学习和交流使用,所有版权归版权人所有,如版权方认为侵犯了您的版权,请及时联系小店删除。
826886875923









