365源码网
网站源码
游戏源码
技术文章
登陆
注册
本文由 365源码网 – 18522379162 发布,转载请注明出处,如有问题请联系我们!
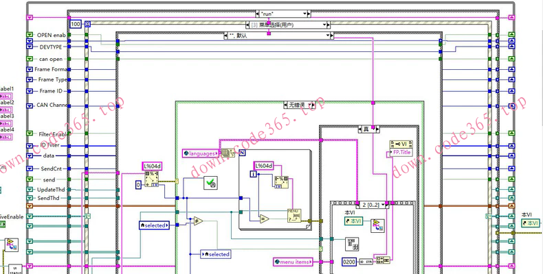
周立功CAN卡二次开发示例,含中英文语言切换功能,源码无加密
¥50.0
积分
栏目分类:
企业公司
系统品牌:
新闻博客
下载次数:0
最后更新:2026-01-21 20:16:41
立即下载
无演示
收藏
周立功CAN卡二次开发示例,含中英文语言切换功能,源码无加密,一旦售出不退不换
标签
评论
(0条)
请登录后评论
评论
18522379162
0
0
( 此人很懒并没有留下什么~~ )
更多
推荐源码
03-23
数据分析可视化项目--基于Python实现旅游景点数据分析与
03-23
房价预测系统|python|爬虫|django|可视化大屏|
03-23
德生牌收音机电路大全(梁伟_姜立中,PDF版本,百度网盘发货
03-23
小托福全套资料!!!包含TOEFL_Primary和TOEF
03-23
家长管控软件学生管理管控软件平板网课游戏禁止使用
03-23
家长会PPT秒发货⚡翻三越岭_只为等花开_家长会上把大家都讲
03-23
实用趣味方剂手册_一共547页_珍贵中医学习资料
03-23
安卓车机刷机包+手机互联车联刷机包
03-23
宇树机器人调研_智元机器人全套图纸_包括BOM清单,组装作业
03-23
奔驰xentry和工程师改装技术手册(秒发)
03-23
大众全系列车型维修手册电路图资料打包,包含高尔夫、帕萨特、迈
03-23
多期DID【秒发货最新最全!_多期did平行趋势检验代码及调
标签云
dd
周立功CAN卡二次开发示例,含中英文语言切换功能,源码无加密
下载积分
VIP会员
50.0
免费
请您
登录后
下载 !
立即登录
注册账号
说明
您下载所消耗的积分或金额将转交上传作者。可通过签到获取积分,或是充值!