365源码网
网站源码
游戏源码
技术文章
登陆
注册
本文由 365源码网 – 18522379162 发布,转载请注明出处,如有问题请联系我们!
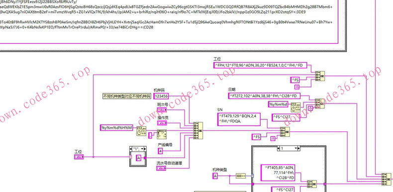
Labview通过网口控制斑马打印机,源码无加密,一旦售出不
¥100.0
积分
栏目分类:
企业公司
系统品牌:
新闻博客
下载次数:0
最后更新:2026-01-21 20:15:55
立即下载
无演示
收藏
Labview通过网口控制斑马打印机,源码无加密,一旦售出不退不换
感兴趣的话点“我想要”和我私聊吧~
标签
评论
(0条)
请登录后评论
评论
18522379162
0
0
( 此人很懒并没有留下什么~~ )
更多
推荐源码
03-23
标题:全国省市区县土地出让结果公告数据00-24年
03-23
最新-环境绩效2008-2023年
03-23
新高考日语作文写作宝典电子版
03-23
新能源汽车制动系统匹配规范,一共174页
03-23
新统编版三年级上册语文课件《大青树下的小学》等一二单元_所有
03-23
新概念英语pro版最新版笔记本PDF
03-23
数据集:_TT100K_交通标志数据集,45_个分类,900
03-23
数据源提供:1995-2024年转移支付1995-2024年
03-23
数据分析可视化项目--基于Python实现旅游景点数据分析与
03-23
房价预测系统|python|爬虫|django|可视化大屏|
03-23
德生牌收音机电路大全(梁伟_姜立中,PDF版本,百度网盘发货
03-23
小托福全套资料!!!包含TOEFL_Primary和TOEF
标签云
dd
Labview通过网口控制斑马打印机,源码无加密,一旦售出不
下载积分
VIP会员
100.0
免费
请您
登录后
下载 !
立即登录
注册账号
说明
您下载所消耗的积分或金额将转交上传作者。可通过签到获取积分,或是充值!